Pro Series

1” Metallic Models

ARO® PRO 1” metallic diaphragm pumps achieve flow rates of up to 35 GPM (133 LPM) and offer a wide array of material and porting configurations. These pumps are often used for transfer, filling, recirculation and batching in Industrial, Mining, Construction, Chemical and Petrochemical markets.

Ratio

1:1

Maximum Flow

35-g.p.m. (133-l.p.m.)

Displacement per cycle

0.16-Gallons (0.60-Liters)

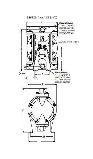
Air Inlet: (Female)

1/4 - 18 N.P.T.F. - 1

Fluid Inlet/Outlet

1 - 11-1/2 N.P.T.F. - 1 Rp 1 (1-11 BSP parallel)

Max. operating pressure

120-psi (8.3-bar)

Suspended solids max. dia.

1/8-in. (3.2-mm)

Weight

lbs (kg) 666100-X-C (aluminum) 19 (8.6) 666101-X-C (stainless steel) 36 (16.3) 666102-X-C (cast iron) 31 (14.1) Note: Add 8-lbs (3.63-kg) for cast iron air motor section

Maximum dry suction lift

ft (m) 20 (6.1)

Sound Level

70 PSI 60 Cycles/Min 64.5 db(A)

Pro Series

Ordering

Accessories

Air Line Connection Kit | 66073-1

(Piggyback Filter/Regulator with gauge, pipe nipple and 5-foot air hose)

Pro Series

Flow Chart

Pro Series

Dimensions