Compact Pumps

3/8” Non-Metallic Models

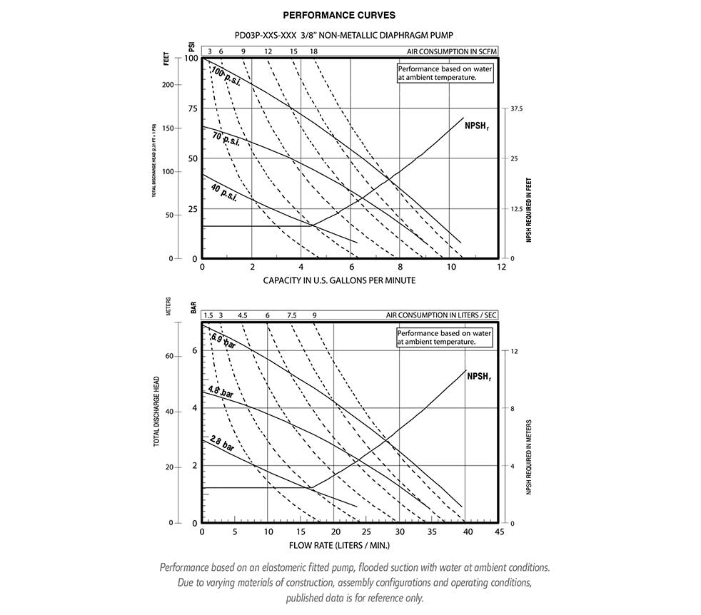
They feature flow rates up to 10.6 GPM (40.1 LPM) and a wide range of material and porting configurations.

Ratio

1:1

Maximum Flow gpm (lpm)

10.6 (40.1) 8.7 (32.9) Flex check

Displacement per cycle gal (l)

.022 (0.083) .018 (0.068) Flex check

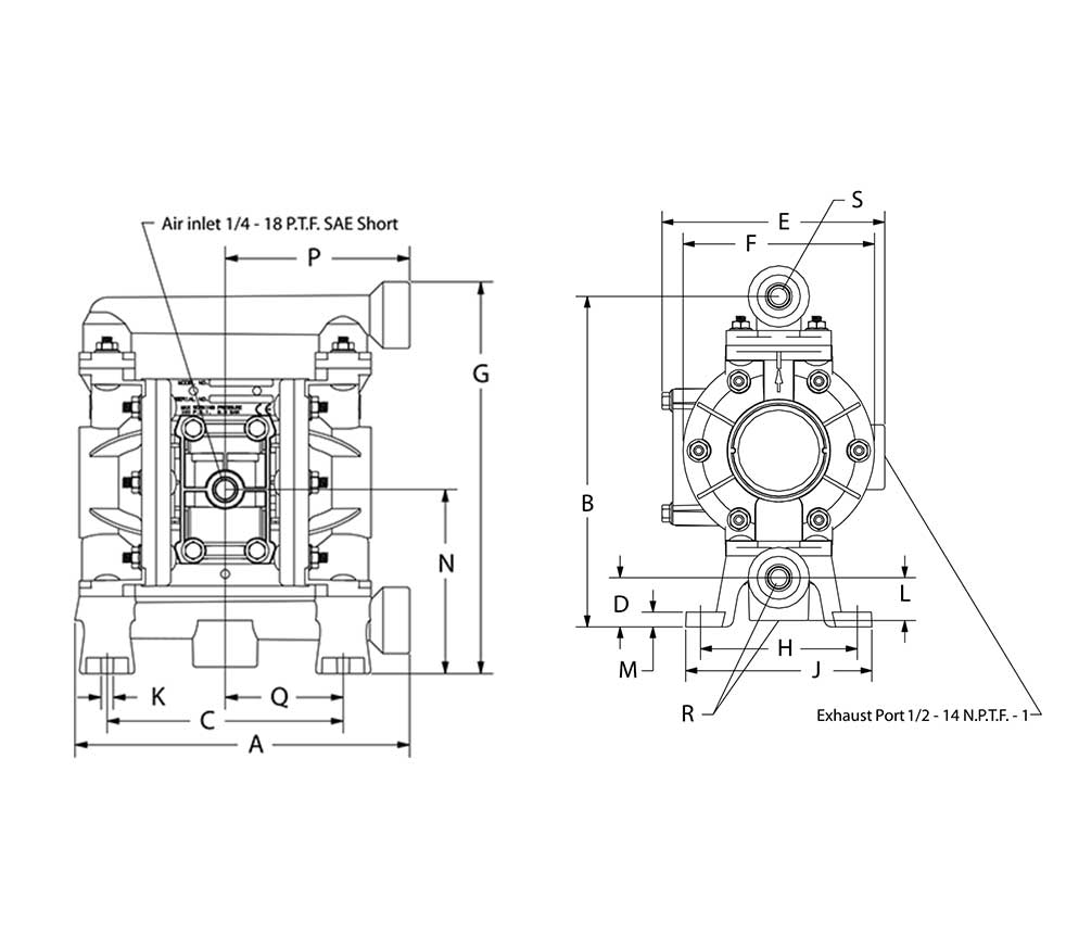
Air Inlet: (Female)

1/4 - 18 PTF SAE Short

Fluid Inlet/Outlet

3/8 - 18 PTF - 1 Rp 3/8 (3/8 - 19 BSP, parallel)

Max. operating pressure psi (bar)

100 (6.9)

Suspended solids max. dia in (mm)

.0625 (1.6) Flex check (Fibers)

Compact Pumps

Ordering

Lorem Ipsum

Accessories

Air Line Connection Kit | 66073-1

(Piggyback Filter/Regulator with gauge, pipe nipple and 5-foot air hose)

Compact Pumps

Flow Chart

3/8” Non-Metallic Dimensions and Flow Charts

Compact Pumps

Dimensions

3/8” Non-Metallic Dimensions and Flow Charts